• Добро пожаловать на компьютерный форум Tehnari.ru. Здесь разбираемся с проблемами ПК и ноутбуков: Windows, драйверы, «железо», сборка и апгрейд, софт и безопасность. Форум работает много лет, сейчас он переехал на новый движок, но старые темы и аккаунты мы постарались сохранить максимально аккуратно.

    Форум не связан с магазинами и сервисами – мы ничего не продаём и не даём «рекламу под видом совета». Отвечают обычные участники и модераторы, которые следят за порядком и качеством подсказок.

    Если вы у нас впервые, загляните на страницу о форуме и правила – там коротко описано, как задать вопрос так, чтобы быстро получить ответ. Чтобы создавать темы и писать сообщения, сначала зарегистрируйтесь, а затем войдите под своим логином.

    Не знаете, с чего начать? Создайте тему с описанием проблемы – подскажем и при необходимости перенесём её в подходящий раздел.
    Задать вопрос Новые сообщения Как правильно спросить
    Если пришли по старой ссылке со старого Tehnari.ru – вы на нужном месте, просто продолжайте обсуждение.

Усилитель для наушников

Мучаю свой экземпляр.
SNR c 49710

snr.webp

ad744:

snr744.webp
 
SINAD:
sinad.webp

Нагрузка 50 Ом. Выходное напряжение 3,5 V RMS
 
Я не знаю уже даже, может твой вариант ушника надо как то по особенному измерять. С наушниками вот так вот получается
 

Вложения

  • 2014-03-11_215854.webp
    2014-03-11_215854.webp
    51.8 KB · Просмотры: 73
Измерил для проверки усилитель LM3886 под нагрузкой в 6 Ом, спектр один в один практически получился как на фото , даже показатели такие же
 

Вложения

  • 2014-03-11_220255.webp
    2014-03-11_220255.webp
    26.6 KB · Просмотры: 66
Может ЛТ1210 чуток грешит ,разных производителей ?
 
Сегодня буду перепаивать 1210 для проверки
 
Плата Максима- сделал замер с наушниками. Выпаял с его платы ЛТ1210 и впаял в плату Антона. Микросхема 100% оригинальная и исправная. Корпус правда не ТО-220, пришлось проводки подпаять. Делаю те же самые замеры и все та же нестабильность ушника. Замеры обоих плат ниже для сравнения выложу . Больше не знаю что делать. Немного расстроился...
 

Вложения

  • DSC_0586.webp
    DSC_0586.webp
    73.9 KB · Просмотры: 77
  • 1.webp
    1.webp
    45.3 KB · Просмотры: 128
  • 2.webp
    2.webp
    49.7 KB · Просмотры: 62
Еще раз сегодня все промерил. Результаты следующие:

собственно спектры системы
audio precision unbal out-in 100 mv.webp
выход усилителя (нагрузка 50 Ом)
1210.webp

больше всего пока беспокоит какашка в верхней части спектра, будем думать.

питание (пленочник около 1210)
wima 1210.webp

Игорь, попробуй входные ОУ поменять...
 
Еще несколько измерений:

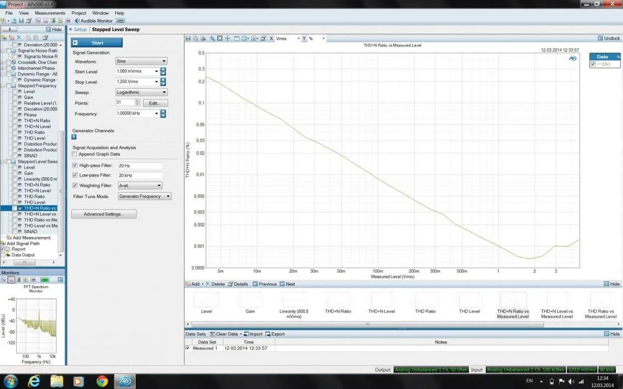
THD+N vs frequency 500 mv input:

thd+n ratio vs fq 500 mv.webp

THD+N vs input level

thd+n ratio vs level.webp
 
а что у нас может быть на частоте 100герц(50гц*2). Думайте и анализируйте где сеть наводится
 
Опер OPA134 + наушники
 

Вложения

Еще раз LM49710+ наушники
 

Вложения

  • LME4910+ наушники.webp
    LME4910+ наушники.webp
    55.7 KB · Просмотры: 93
  • LME4910+ наушники.zip
    LME4910+ наушники.zip
    40.5 KB · Просмотры: 23
да тут еще зк грязь хорошо несут. Надо или 2Т-мост или векторным способом мерять
 
Ну пусть есть грязь. Но ведь не вооруженным глазом все равно видно, что я не могу с этим ушником дотянуться до предыдущего. Это и печалит меня. Я же думал что будет не хуже этого вот моего уся
 

Вложения

  • Безымянный.webp
    Безымянный.webp
    40.8 KB · Просмотры: 93
А с питанием все в порядке?
 
А с питанием все в порядке?
Да вроде бы нет проблем, по крайней мере напряжение не меняется +13,5\-13,5В. Кстати вот нашел парочку NE5534 . Замер с ними .

P.S я мог бы оплатить все почтовые расходы и выслать плату. Что бы ты сам при желании мог взглянуть в чем проблема у этого усилителя.
 

Вложения

  • Безымянный.webp
    Безымянный.webp
    34.4 KB · Просмотры: 65
  • Измерение.zip
    Измерение.zip
    38.7 KB · Просмотры: 9
У меня хорошие результаты получаются.
Я бы глянул спект питания, может там хрень какая, ну и проверил КАЖДЫЙ элемент на ПП, да и саму ПП внимательно осмотрел.
 
ну и проверил КАЖДЫЙ элемент на ПП, да и саму ПП внимательно осмотрел.
Плату проверил неоднократно, никаких ошибок нет и не было. Я все по твой ПП делал)

НО! Я нашел проблему. В шоке просто! Наводку давал микрофонный кабель, заменил его витой парой и все измерения пришли сразу в норму. Обнаружил случайно лишь, когда в отчаянии замерил прямо с выходов платы , а не с ушного разъема.
Спасибо всем за помощь, было интересно)

Этот мой проект завершен, могу теперь хоть вернуться к другим.
 

Вложения

  • DSC_0583.webp
    DSC_0583.webp
    144.1 KB · Просмотры: 119
  • Безымянный.webp
    Безымянный.webp
    34.1 KB · Просмотры: 83
Последнее фото
 

Вложения

  • DSC_0587.webp
    DSC_0587.webp
    76.8 KB · Просмотры: 199
Семен Семеныч!

Кстати. О пользе снабберов, думаю комментарии излишни:

Newfile11.webp Newfile12.webp
 
Последнее редактирование:
Назад
Сверху