• Добро пожаловать на компьютерный форум Tehnari.ru. Здесь разбираемся с проблемами ПК и ноутбуков: Windows, драйверы, «железо», сборка и апгрейд, софт и безопасность. Форум работает много лет, сейчас он переехал на новый движок, но старые темы и аккаунты мы постарались сохранить максимально аккуратно.

    Форум не связан с магазинами и сервисами – мы ничего не продаём и не даём «рекламу под видом совета». Отвечают обычные участники и модераторы, которые следят за порядком и качеством подсказок.

    Если вы у нас впервые, загляните на страницу о форуме и правила – там коротко описано, как задать вопрос так, чтобы быстро получить ответ. Чтобы создавать темы и писать сообщения, сначала зарегистрируйтесь, а затем войдите под своим логином.

    Не знаете, с чего начать? Создайте тему с описанием проблемы – подскажем и при необходимости перенесём её в подходящий раздел.
    Задать вопрос Новые сообщения Как правильно спросить
    Если пришли по старой ссылке со старого Tehnari.ru – вы на нужном месте, просто продолжайте обсуждение.

Усилитель для наушников на TDA 2003. "А" класс

Помните такая игра была "найди 10 отличий" здесь так же :)
 

Вложения

  • 2014-01-04_192409.webp
    2014-01-04_192409.webp
    12.5 KB · Просмотры: 191
  • page2.png.webp
    page2.png.webp
    49.7 KB · Просмотры: 137
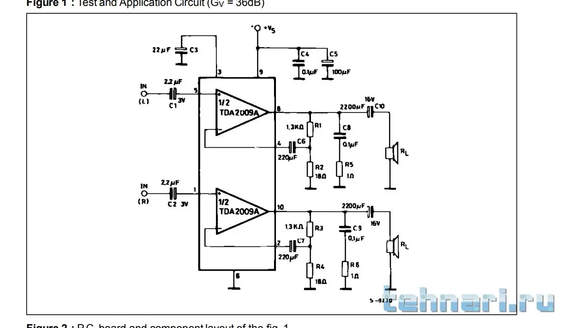
Не понимаю. В даташите в схеме 1 - R2, R4 - 18 Ом
а в таблице написано 18 кОм
 

Вложения

  • tda2009.webp
    tda2009.webp
    26.2 KB · Просмотры: 1,954
  • tda2009-1.webp
    tda2009-1.webp
    55.4 KB · Просмотры: 120
Вас блин не смущает номинал цобеля? По высоким вы загоняете камень чуть ли не в козу. минимум 8ом
 
А что собственно должно смущать? Номиналы 0.1мкф+1ом с даташита, тут уж если есть притензии то только к разработчику этого микроба
 
Даташит даташит.А думать разве не надо? Это же емкостная нагрузка на вк громадная . Гляньте любой заводской усилок,везде минимум 8 ом цобель
 
Думать не кто не кому не запрещает, кто запрещает поставить 10ом.? Я соберал на этой микросхеме лет 10 назад, по даташиту, так он и посей день работает у брата в мастерской, так что и как только сним не творили, прям не убиваемый :) Но это другая история и другая тема, а то от темы отходим товарищи.
 
По высоким вы загоняете камень чуть ли не в козу
И где коза? Даже на тех частотах которых не бывает в звуковом тракте (20 кГц), сопротивление конденсатора будет 80 Ом. И резистор либо 1 Ом по даташиту, либо 10 Ом как вы рекомендуете. 81 или 90 Ом разница невелика.
Правда посчитал для синусоиды. Если для музыкального сигнала другие цифры, то поправьте.
Innuendo91, по поводу схемы в посту 580, со своими скудными знаниями, могу вам порекомендовать следующее: R1 и R6 уберите. Сделайте R2=R4=R5=R7=1 кОм. С6=0,1 мкФ. Если вы конечно усилитель для наушников делаете.
 
Последнее редактирование:
могу вам порекомендовать следующее:
Я вот тоже могу вам рекомендовать следующее : создайте свою тему про TDA 2009, и обсуждайте там козу, и любой другой рогатый скот! :))
 
Поддерживаю! Тема не про тда2009.
 
Всем спасибо, запустилось. )) доволен.
позже отпишусь
 
Доброе время суток.
Собрал сей усилитель.
Печатка с поста 404 от Andrey 69. Конкретно печатка та каторая с блоком питания.
Печатку редактировал. Убрал только БП.
Питание усилителя сначала стабилизированный лабораторный БП, выход 15 вольт, после него бп на 7812.
Так вот проблема в том что если включить усилитель с открытым входом, то есть к входу на печати не подключено в обще нечего даже регулятора громкости. Трещит, свистит так что невозможно, при подключении регулятора громкости на проводах окло 30 см треск ещё хуже даже при замыкании входа на землю.
Если замкнуть вход на землю прям на плате слышен только тихий белый шум.

Просто другие мои усилители при открытом входе не шумят.

Где может быть проблема?
 
Доброе время суток.

Конденсаторы на входе-выходе ее поставил какие? Зашунтировал?
На 7812. На входе 1000мкф, на выходе 470мкф, плюс на входе и выходе непосредственно рядом с ногами стабилизатора стоит керамика 0.1мкф.

Сейчас провел опыт, питал от акб. Треска с открыт входом нет, но есть белый шум. При замыкании входа на землю шум не пропадает. Насколько я понимаю это возбуд? И как с ним бороться?
 
Да вообще бы фотографию желательно. Там шуметь то нечему tehno015
 
Сильно шумит по верхам? Оба канала?

Шум громче полезного сигнала, шум во всем диапазоне от низа до верха.

Про бывал от акб тоже самое. Но если подавить питание на один канал причем любой то шума нет, но если подключить к питанию оба то шумит,свистит.
 

Вложения

  • 1.webp
    1.webp
    107 KB · Просмотры: 318
  • 2.webp
    2.webp
    58.1 KB · Просмотры: 173
Провода по питанию свить, все сигнальные провода свить и в экраны.
Фонит он у вас.Просто фонит
корпус переменного резистора заземлить
 
Назад
Сверху