• Добро пожаловать на компьютерный форум Tehnari.ru. Здесь разбираемся с проблемами ПК и ноутбуков: Windows, драйверы, «железо», сборка и апгрейд, софт и безопасность. Форум работает много лет, сейчас он переехал на новый движок, но старые темы и аккаунты мы постарались сохранить максимально аккуратно.

    Форум не связан с магазинами и сервисами – мы ничего не продаём и не даём «рекламу под видом совета». Отвечают обычные участники и модераторы, которые следят за порядком и качеством подсказок.

    Если вы у нас впервые, загляните на страницу о проекте, чтобы узнать больше. Чтобы создавать темы и писать сообщения, сначала зарегистрируйтесь, а затем войдите под своим логином.

    Не знаете, с чего начать? Создайте тему с описанием проблемы – подскажем и при необходимости перенесём её в подходящий раздел.
    Задать вопрос Новые сообщения Как правильно спросить
    Если пришли по ссылке со старого Tehnari.ru – вы на нужном месте, просто продолжайте обсуждение.

Усилитель для наушников

Максим, у меня Альпс стоит - не жалуюсь.
 
Максим, у меня Альпс стоит - не жалуюсь.
Ну для таких устройств надо с моторчиком альпс ставить,чтобы дистанцию ввести.Или.что я предлагаю,поставить РГ на основе лестничного типа на слаботочных реле.4реле за глаза.
Все же это уже серьезный аппарат.Альпсы я не ругаю,хочется просто сохранить параметры.
Офф плату передывать буду,по всем канонам.Не устраивает питание оу ,петля по питанию большая
 
ну да .Буду делать для заводского изготовления . Может соберусь и закажу пару комплектов. Мысль то не сидит на месте ,все хочется что то изменить,переделать.
 
А как насчет ПП защиты , вроде выложить хотели. Или Бриговская подойдет, которая для АС
 
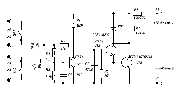
Лови .Вот такая под 2типа реле. За основу бриговская
 

Вложения

Спасибо! Только вот R1.2.3.4.5.6.7 и электролиты не промаркированы. Плату 2-х слойной делать?
 
Обычная однослойка.Схему скину
 
вот поправил
 

Вложения

  • защита простая.GIF
    защита простая.GIF
    8 KB · Просмотры: 2,175
  • Защита _ТЛФ3.rar
    Защита _ТЛФ3.rar
    14.4 KB · Просмотры: 48
Бриговская защита)

pryanic и SGAl одно лицо?
Максим, нет.
По поводу AD744 я тоже подумал, заказал себе попробовать и сравнить, сегодня получил посылку из Великобритании.
Сейчас переделываю свою плату. Все узлы будут располагаться на одной плате, количество слоев возросло до 4, что позволило значительно улучшить трассировку сигнальных проводников, добавлена защита на компараторах (надо отмакетировать), блок питания на дискрете. И все это всего лишь на примерно 10 мм длиннее чем первая версия. Правда сейчас занят ЦАПом, поэтому этому проекту времени уделяю мало.
 
Защита на компараторах упрощенная агеевская или упрощенная жуковский клон ?
 
Cкорее клон Lynx'a. Уж кто первый в этом был не знаю.
 
Понятно.главное чтобы сработала когда надо.А как и на чем неважно.
 
Пойти пойдут,но они по качеству не соответствуют данной конструкции.Лучше поставить релейный лестничный .

Максим, а с такими алпсами имели дело?

2.webp


Хотя ходят разговоры что это подделка.
 
Нет не доводилось . .
Офф подделка подделка,смеряйте омметром разброс резистороы хотя бы в 3 точках и поймете сами что есть что..
 
Характеристика там скорее всего на порядок (а то и два) лучше чем у настоящего альпса. Вопрос на сколько этот переключатель надежен.
 
Характеристика там скорее всего на порядок (а то и два) лучше чем у настоящего альпса. Вопрос на сколько этот переключатель надежен.
Такк токосъемник от калибратора осциллографа меандром проверь.если срвы будет при вращении или форма искажаться ,значит дрянь.если нет,то отлично.
 
Да у меня пока нет таких. Думаю стоит брать или нет.
 
Назад
Сверху