• Добро пожаловать на компьютерный форум Tehnari.ru. Здесь разбираемся с проблемами ПК и ноутбуков: Windows, драйверы, «железо», сборка и апгрейд, софт и безопасность. Форум работает много лет, сейчас он переехал на новый движок, но старые темы и аккаунты мы постарались сохранить максимально аккуратно.

    Форум не связан с магазинами и сервисами – мы ничего не продаём и не даём «рекламу под видом совета». Отвечают обычные участники и модераторы, которые следят за порядком и качеством подсказок.

    Если вы у нас впервые, загляните на страницу о форуме и правила – там коротко описано, как задать вопрос так, чтобы быстро получить ответ. Чтобы создавать темы и писать сообщения, сначала зарегистрируйтесь, а затем войдите под своим логином.

    Не знаете, с чего начать? Создайте тему с описанием проблемы – подскажем и при необходимости перенесём её в подходящий раздел.
    Задать вопрос Новые сообщения Как правильно спросить
    Если пришли по старой ссылке со старого Tehnari.ru – вы на нужном месте, просто продолжайте обсуждение.

Усилитель для наушников

Продуманный усилитель кажется разрабатывается, вот бы его собрать потом. А то мой исходный вариант выглядит уже очень скромно)
 
Продуманный усилитель кажется разрабатывается, вот бы его собрать потом. А то мой исходный вариант выглядит уже очень скромно)
В жизни бывает ,что скромница получает главный приз.
Офф вот теперь еще вход добить ,точнее релейный регулятор
 
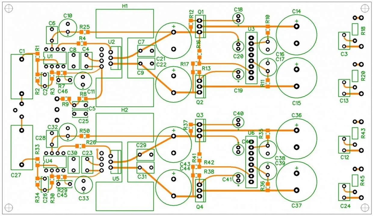
не стал дублировать плату релейного РГ .Вот примерно окончательный вариант.Самое главное пути прохождения сигнала и питание уведены друг от друга.Мнения,замечания?
 

Вложения

Попробовал сравнить сегодня свою конструкцию с двумя операми: LME49710 (стояли изначально) и AD744 (недавно приехали из Farnell).
По техническим параметрам возможно 744 будет лучше (измерений не проводил), касательно звука разницы почти нет. Что-то еле уловимое на уровне ощущений. С 744 кажется немного более детально что ли. Но вслепую, к сожалению, возможности не было прослушать.
 
Последнее редактирование:
Да на таких уровнях все на уровне ощущений.
 
Т.е приборы не фиксируют то что ощущает человек?
 
У меня например есть на работе Audio Precision. :tehnari_ru_098:

Но субъективное восприятие довольно сложно объяснить цифрами. Т.е. измерить можно все, но так как до сих пор не совсем изучено, как формируется звуковая картина в мозгу, то не совсем ясен тот КОМПЛЕКС параметров, влияющих на субъективное восприятие. Почитайте последнее интервью с И. Алдошиной.

В плане восприятия акустики есть много работ, связывающих субъективные ощущения с объективными параметрами. Первая работа - это исследование Беранека. Подобных работ, относящихся именно к соотношению объективных и субъективных параметров аудиоаппаратуры, мне не известно.
 
Ладно.все хорошо,но что по плате.Чет там не хватает,но никак не вижу.Глаз устал.Блин скачивают а замечаний нет.
 
Максим, мне нравится. Единственное, если планируется заводское производство плат, я бы подрихтовал некоторые места с переходными отверстиями. А то в некоторых случаях они сидят уже на контактных площадках СМД элементов.
 
Максим, мне нравится. Единственное, если планируется заводское производство плат, я бы подрихтовал некоторые места с переходными отверстиями. А то в некоторых случаях они сидят уже на контактных площадках СМД элементов.
Вот на этом остановлюсь.Конечно контура у ЛТ1210 большеваты,но меньше не сделать.А вот у оперативных усилителей контура минимизованы. Теперь скооперироваться с кем нибуть.чтобы заводскую платку получить.
офф На большее фантазии не хватает и так платы рисовал несколько месяцев.
 

Вложения

  • 1210 симметрия то220.webp
    1210 симметрия то220.webp
    140.8 KB · Просмотры: 214
Максим, маловато места вокруг ТО-200. Не забывайте про радиатор)

1210.webp

Я использовал такие
 
Я имел в виду с боков).
 
Не, у меня настоящие радиаторы.Можно и Г-образные нижней полкой на фольгу верхнего слоя,а к камню через прокладочку
 
Возвращаюсь к своему долгострою. Все это время усилитель слушался на макетке и радовался прекрасному звучанию. Пришла пора оформлять это все более достойно. На глаза удачно подвернулся корпус из качественного пластика на Паяльнике, купил его за 290 руб. Корпус отличный просто, подойдет под различные поделки, в моем случае под ушник на LT1210. Так же на днях приедет ступенчатый РГ Никитина, заказал его с Вегалаба, вот видео работе его есть даже Relay Attenuator.MTS - YouTube хорошему усилителю - хороший РГ ))
По мере продвижения работы выложу фото. На данный момент готовится трансформатор и стабилизированный БП. Защита наушников уже спаяна.
 

Вложения

  • 1.webp
    1.webp
    73.2 KB · Просмотры: 124
  • 2.webp
    2.webp
    52.2 KB · Просмотры: 100
Мои поздравления.
Тоже недавно приобрел регулятор громкости у Максима)
 
Мои поздравления.
Тоже недавно приобрел регулятор громкости у Максима)
Спасибо! Стоит немного подороже Альпса, а по характеристикам будет по лучше его , если я не ошибаюсь) Нашел с какого то оборудования сетевой фильтр с кнопкой включения, врезал в корпус
 

Вложения

  • DSC_0285.webp
    DSC_0285.webp
    33.4 KB · Просмотры: 85
  • DSC_0286.webp
    DSC_0286.webp
    23.9 KB · Просмотры: 61
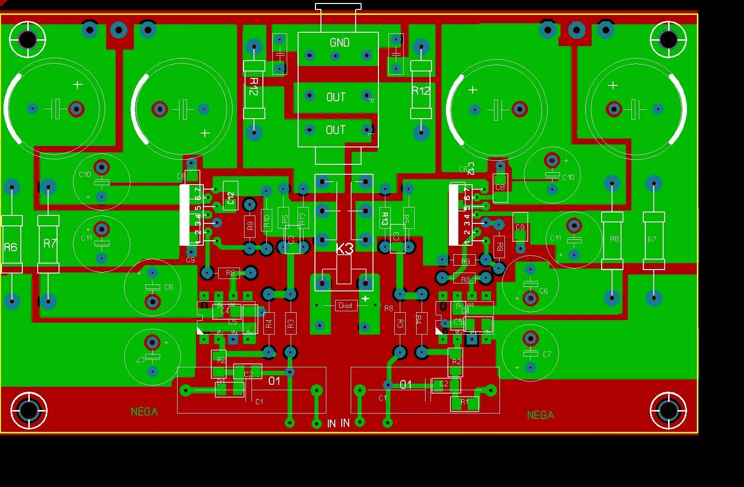
Вот так теперь выглядит предварительный вариант усилителя. На данный момент использован БП с параметрическим стабилизатором. В последствии планирую поставить стабилизатор на M5230L. Как уже выше было сказано стоит РГ Никитина, питающийся от блока батареек. Стоит маленький торик для питания защиты ушей. На максимальной громкости и отсутствии сигнала в наушниках полная тишина. При подаче сигнала на максимальную громкость вывернуть регулятор не рискну , мои наушники могут не выдержать, запас по мощности огромный. Для любых высокоомных ушей этого усилителя хватит с лихвой.
Расписывать звучание нет смысла, это надо слышать!
Усилитель по проекту М.Васильева практически закончен, осталась лишь небольшая доработка.
 

Вложения

  • DSC_0302.webp
    DSC_0302.webp
    34.3 KB · Просмотры: 74
  • DSC_0301.webp
    DSC_0301.webp
    31 KB · Просмотры: 92
  • DSC_0300.webp
    DSC_0300.webp
    134.5 KB · Просмотры: 189
  • DSC_0299.webp
    DSC_0299.webp
    93.1 KB · Просмотры: 116
Назад
Сверху