Смотрите видео ниже, чтобы узнать, как установить наш сайт в качестве веб-приложения на домашнем экране.
Примечание: Эта возможность может быть недоступна в некоторых браузерах.
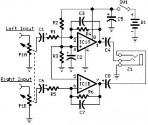
Держи вот еще простой на ОУ с Веги.Собираю*.
Держи вот еще простой на ОУ с Веги
Операционников там мало,надо большеИнтересная вещичка, и очень простая
Совершенно правильно.вобще аналог К174УН14
Нет нельзя! Это совершенно разные приборы.но вроде как можно и 2030,2050
вобще аналог К174УН14, но вроде как можно и 2030,2050
Точно, попутал, это 2050 и 2030 взаимозаменяемы, но 2003 ними не заменить!Нет нельзя! Это совершенно разные приборы.
Вобще-то нужно исходить из деталей, которые в наличии естьЯ уже для ТДА2003 плату вытравил,за деталями завтра поеду
Вобще-то нужно исходить из деталей, которые в наличии есть![]()
конечно можноМожно такие емкости поставить?
А как иначе? это же А класссильно нагревается даже с радиатором