• Добро пожаловать на компьютерный форум Tehnari.ru. Здесь разбираемся с проблемами ПК и ноутбуков: Windows, драйверы, «железо», сборка и апгрейд, софт и безопасность. Форум работает много лет, сейчас он переехал на новый движок, но старые темы и аккаунты мы постарались сохранить максимально аккуратно.

    Форум не связан с магазинами и сервисами – мы ничего не продаём и не даём «рекламу под видом совета». Отвечают обычные участники и модераторы, которые следят за порядком и качеством подсказок.

    Если вы у нас впервые, загляните на страницу о форуме и правила – там коротко описано, как задать вопрос так, чтобы быстро получить ответ. Чтобы создавать темы и писать сообщения, сначала зарегистрируйтесь, а затем войдите под своим логином.

    Не знаете, с чего начать? Создайте тему с описанием проблемы – подскажем и при необходимости перенесём её в подходящий раздел.
    Задать вопрос Новые сообщения Как правильно спросить
    Если пришли по старой ссылке со старого Tehnari.ru – вы на нужном месте, просто продолжайте обсуждение.

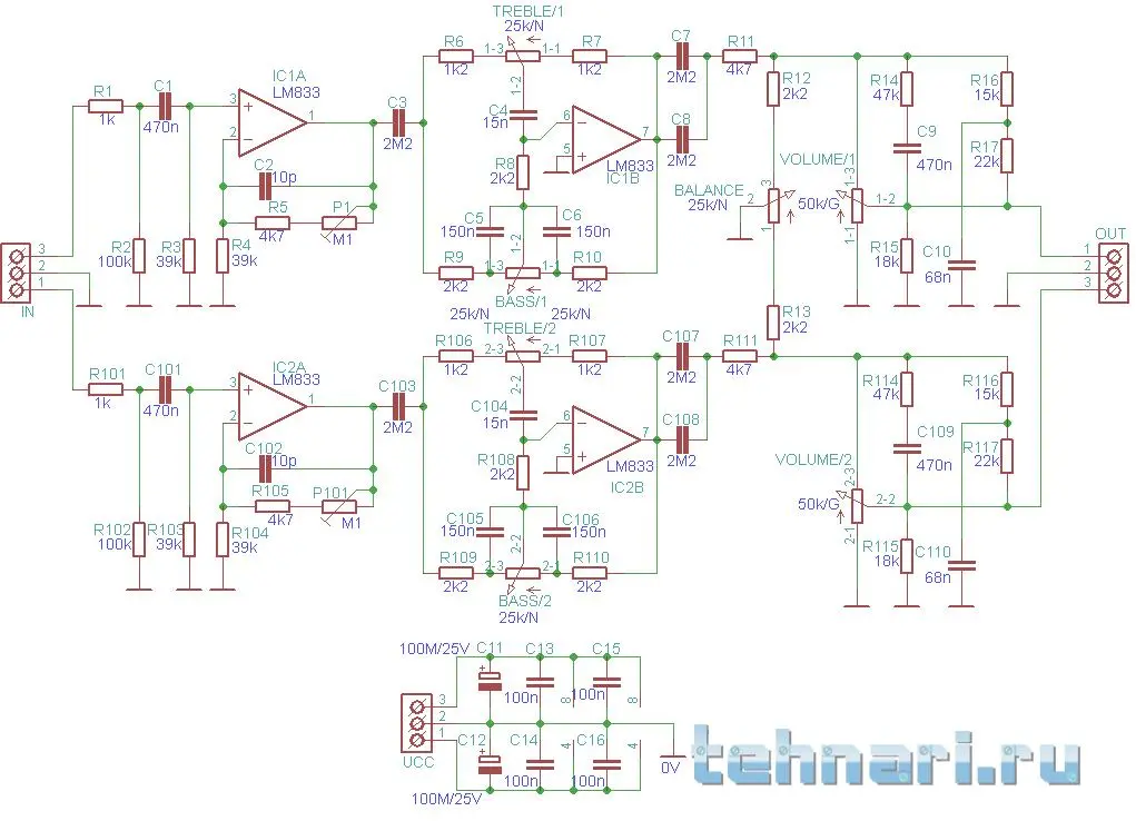
Предварительный усилитель

  • Автор темы Автор темы jmd36
  • Дата начала Дата начала
короче тема ярых дискуссий получилась(((
 
Я тоже склоняюсь к тому, что регуляторы тембра будут как бы не лишние. Ну это в моём случае. Я , в основном, слушаю виниловые винтажные пластинки, и при этом использую фонокорректор. Выход у корректора - 250 мв. Пластинки записаны очень неодинаково. Здесь нужен и пред. усилитель, и регулятор тембра. Если же слушать CD, то выходной сигнал у CD плеера довольно таки высокий, и сама фонограмма вылизана и отполирована. И в этом случае пред. усилитель не требуется, а требуется только регулятор громкости. На счёт регулятора тембра, в этот случае, каждый решает сам, нужен он или нет. В конце концов его же можно сделать и отключаемым.
 
Ну и я внесу свои 5 копеек, ИМХО все эти тембрблоки по сути, нужны для связки мощника с различными АС, в частности с "кривыми" в плане АЧХ, когда например на ВЧ в графике целый "Эверест", а на СЧ или НЧ "Марианская впадина" вот тогда тембрблоком и выправляется эта бяда, а для хорошо отстроенной АС это лишние искажения в звуке...
 
Вот здесь я с Вами согласен. Я тоже постоянно слушаю винил и совершенно не возникает потребности чего-то добавить или убавить...
 
Ещё пример. У друга очень приличная инсталляция, но акустика - двухполосники, великолепная локализация, панорама и глубина. Ну нет там нижнего регистра. Да, пробовали исправить применением ТБ, полосу им не расширишь, тональный баланс меняется, только хуже становится. Отказался от применения ТБ, в данный момент решает вопрос о замене акустики - на двухполосные даже не смотрит...
 
Скажу тогда лично за себя,у меня сейчас напольники elac три полосы,акустика сегмента не дешёвых ценивая категория 1400-2300$ не плохой ЦАП слушаю формат флак,усилителей в наличии 4шт.кенвуд,акаи,макентош,денон,все интегральники,это я к чему,пользуясь всегда тембрами,так как нч люблю в достатке,как и вч,и нет ни каких искажений и прочей грязи в тракте!повторюсь:на вкус и цвет товарищей нет.
 
Рвать волос на мягком месте и кричать что темброблок с предом на прочь не надо и эти блоки вообще не нужны,это так само как говорить что они 100%надо,кто решил что это лишнее или обязательно?аудиофильчики,или группа людей который тем или иным не пользуются,дак это абсурд.... Кто то вообще слушает музыку в наушниках и акустику не презнает,для кого-то какая-то акустика кривая,а для кого-то супер пупер.
 
Может кому пригодится,схема темброблока провереная,собрал за полторы недели три таких,регулировка плавная и глубокая,наводок как и фона нет.советую для повторения.
 

Вложения

  • korekce_1.png.webp
    korekce_1.png.webp
    51.5 KB · Просмотры: 502
Это что бы не быть голословным
 

Вложения

  • IMG_20171222_144744.webp
    IMG_20171222_144744.webp
    62.3 KB · Просмотры: 331
Может кому пригодится,схема темброблока провереная,собрал за полторы недели три таких,регулировка плавная и глубокая,наводок как и фона нет.советую для повторения.

Здравствуйте! Где бы спаренные переменники на 25 кОм найти? Или их можно заменить на распространенные 50 кОм, но тогда частоты уползут?
 
Здравствуйте! Где бы спаренные переменники на 25 кОм найти? Или их можно заменить на распространенные 50 кОм, но тогда частоты уползут?
Если резисторы увеличить вдвое, а конденсаторы уменьшить вдое, то частоты останутся на месте. Ведь постоянная времени R*C не изменится, а входное сопротивление операционников большое, на общее сопротивление влияние мизерное, то разницы не должно быть.
 
Ели резисторы увеличить вдвое, а конденсаторы уменьшить вдое, то частоты останутся на месте. Ведь постоянная времени R*C не изменится, а входное сопротивление операционников большое, то разницы не должно быть.

Спасибо! Значит можно применить резисторы, которые есть в наличии. Собственно, только этот момент и смущал в темброблоках.
 
Читая опусы Спутника, вспомнилась старая статья Ю. Солнцева из журнала "Радио". Видимо качество его интегральников таково, что слушать их в режиме Direct видимо просто не возможно... Хочется сравнить два усилителя - отключи темброблок.
 

Вложения

  • Солнцев.webp
    Солнцев.webp
    50.2 KB · Просмотры: 376
Спасибо! Значит можно применить резисторы, которые есть в наличии. Собственно, только этот момент и смущал в темброблоках.
Возможно придется уменьшить вдое резисторы R4 и R104, т.к. может сигнал, за счет большего импеданса уровень упасть вдвое, а этим мы компенсируем потери (вдое увеличиваем усиление). Это надо прбовать.
 
Читая опусы Спутника, вспомнилась старая статья Ю. Солнцева из журнала "Радио". Видимо качество его интегральников таково, что слушать их в режиме Direct видимо просто не возможно... Хочется сравнить два усилителя - отключи темброблок.

Дай бог что бы у всех такие были интегральники,один denon 680$ прежде чем что то самому утверждать надо знать на верняка(на100%)я через свои руки и уши пропустил достаточное количество усилителей так как и изготовил не однин десяток их,и могу сравнить,так что я знаю что и как звучит и мне что то доказывать мистер фикс не стоит.
 
Я Вам открою тайну.
Название бренда, а тем более его цена мало коррелирует с понятием качественного звука. Продолжайте смотреть на свои названия фирм и ценники, вместо того, чтобы слушать...
PS. Ещё одна победа маркетинга.
 
Ну думаю denon pma-1090g скажет сам за себя :) да,уж это не ланзар с ом2
 
Назад
Сверху