• Добро пожаловать на компьютерный форум Tehnari.ru. Здесь разбираемся с проблемами ПК и ноутбуков: Windows, драйверы, «железо», сборка и апгрейд, софт и безопасность. Форум работает много лет, сейчас он переехал на новый движок, но старые темы и аккаунты мы постарались сохранить максимально аккуратно.

    Форум не связан с магазинами и сервисами – мы ничего не продаём и не даём «рекламу под видом совета». Отвечают обычные участники и модераторы, которые следят за порядком и качеством подсказок.

    Если вы у нас впервые, загляните на страницу о форуме и правила – там коротко описано, как задать вопрос так, чтобы быстро получить ответ. Чтобы создавать темы и писать сообщения, сначала зарегистрируйтесь, а затем войдите под своим логином.

    Не знаете, с чего начать? Создайте тему с описанием проблемы – подскажем и при необходимости перенесём её в подходящий раздел.
    Задать вопрос Новые сообщения Как правильно спросить
    Если пришли по старой ссылке со старого Tehnari.ru – вы на нужном месте, просто продолжайте обсуждение.

Шестиканальный усилитель с электронным управлением

А этот будет?
 

Вложения

  • Безымянный.webp
    Безымянный.webp
    32.9 KB · Просмотры: 289
  • PCM2904datasheet.pdf
    PCM2904datasheet.pdf
    326.5 KB · Просмотры: 411
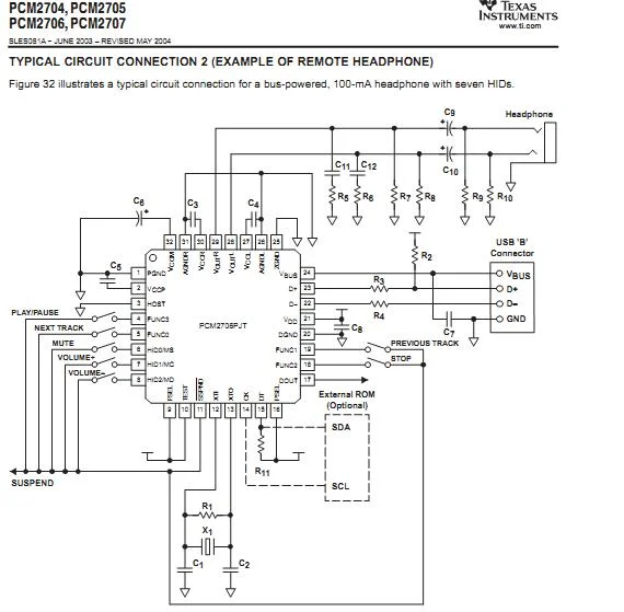
а это усилитель для наушников, работает от ЮСБ
 
В datasheet написано
16-Bit Delta-Sigma Stereo DAC
и есть кнопки PLAY/PAUSE ,NEXT TRACK,PREVIOUS TRACK ,STOP
 
этими кнопками можно управлять вот этим
 

Вложения

  • Безымянный.webp
    Безымянный.webp
    6.5 KB · Просмотры: 150
Гость, привет,перехожу в окончательную стадию принятия решения.
получил посылочку

впечатление очень положительное
 

Вложения

  • регулятор6к1.webp
    регулятор6к1.webp
    49.1 KB · Просмотры: 253
  • регулятор6к.webp
    регулятор6к.webp
    58.8 KB · Просмотры: 217
  • регулятор.webp
    регулятор.webp
    68.6 KB · Просмотры: 236
  • appl.gif
    appl.gif
    1.2 KB · Просмотры: 442

Вложения

  • dac.webp
    dac.webp
    169.8 KB · Просмотры: 266
Не скромный вопрос ; почему начал делать ЦАП?
Чем плох пионер?:tehnari_ru_281:
Пионер всем хорош, только ему уже пятилетка от роду.
Работает достаточно интенсивно,по этому
Пытаюсь найти ему достойную замену зарание
(впрочем новый лазер в запасе лежит, на всякий случай )

Пробую медиоплеер по оптике подключить к ЦАП.

Штатное подключение звука - только для кино
Музыка (особенно 5,1) не звучит

Конечно наличие встоенного HDD - счастье
2ТБ - отдельное счастье
А если получится сразу читать FLAC, не переводя в А-DVD-
вообще сказка
 
tehno026

Озадачил.
У меня уже дисков А-DVD и SACD штук 200
и что нет выхода?
 
Есть
PIONEER BDP-LX55 около 16,5 тыров
Dune HD Max 20 тыров без SACD
 
не будем о плохом
ЦАП доделал?
 
нет детальки не все
китайцы прислали вот такой Рукукон вместо Рубикона
 

Вложения

  • рукокон.webp
    рукокон.webp
    22.4 KB · Просмотры: 204
  • рубикон.webp
    рубикон.webp
    57.2 KB · Просмотры: 146
НЕ УДИВИЛ
Я тут тоже с TDA7560 покупал в 3х
местах и во всех перемаркёры
только тА,что написано лазером нормально звучит
 
О покупках
купил такие разъёмы

разъём.webp

разъём1.webp

крос1.webp

крос2.webp

поставил их и убрал пищалки
привёл в исходное состояние
когда менял сфоткал платки как ты просил
 

Вложения

  • крос3.webp
    крос3.webp
    45.1 KB · Просмотры: 199
  • крос4.webp
    крос4.webp
    104 KB · Просмотры: 220
koresch
Всё улучшаеш RFT
А что у тебя с корландами - купил или нет?
Как они звучат?
Начал ли стадию метала?
 
cortland - купил , за 3 тысячи что не брать
плюс боус ещё кинотеатр за эти же деньги
там тор стоит ватт на 300
пять каналов на TDA7265
Звучат вроде не плохо ,хотя и
жестковато, низа маловато
через полчаса хочеться выключиь
так что RFT пока рулит

Из железа пока только
корпус1.webp

корпус.webp
рисую печатки
 
Откуда знаеш?
 
У меня в машину был взят такой диффузор
тоже самое
 
Назад
Сверху